

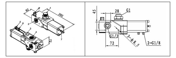
1、油泵接口(P)          2、油箱加油口(T)       3、油箱備用回油口     
4、油缸接口(C)          5、氣控閥/舉升接口       6、氣控閥/下降接口     
7、調節螺栓                    8、溢流閥
備注:
   如果我公司所供的閥產生售后服務或者用戶想使用我公司的閥代替現有的閥,若是售后服務,
請告知閥體上的型號。若想替換,請務必提供以下參數,以上圖為例:請提供安裝孔是三個還是
四個(上圖為3個φ8.5的孔),請提供閥的進出油接頭的外徑(如上圖G1約
供準確,以保證能和現有的油管完美的連接)。
安裝要求:
1、舉升閥必須安裝在帶有閥座的油箱上,直接回油。
2、安裝之前,請旋出閥體下面的螺塞,在閥座與閥體回油口之間墊上O型密封圈。
3、為便于O型密封圈定位,安裝前,O型密封圈涂抹黃油。
4、PT閥體側面的另一回油口應該用堵頭及密封件堵死。
5、使用安裝套件中的三顆內六角螺栓及墊圈將閥體安裝到油箱上的閥座上。
6、將三顆PVC塑料蓋安裝到舉升閥的內六角螺栓孔內。
注意事項:
1、為了防止閥體變形,請選用正確的墊圈和管接頭;請勿選用錐螺紋管接頭;
2、必須保證閥安裝板或閥座完全平整;
3、不要在閥體上焊接。